Запчасти спецтехники
Доставка
Есть возможность расчета доставки онлайн на сайте при оформлении заказа.
Бесплатная доставка от 50 000 руб., кроме масла, шин, навесного оборудования.
Наличие
Остатки обновляются несколько раз в день и доступны после регистрации.
Описание
Характеристики
Отзывы
Описание
ARMADADETAL бесплатно доставляет запчасти для спецтехники по России, а также в Казахстан и Беларусь при заказе от 50 000 рублей.
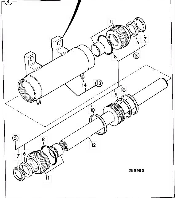
Ремкомплект гидроцилиндра рулевого управления (75х45) 991/00156 применяется для JCB 3CX и 4CX. Деталь используется при ремонте и обслуживании узлов спецтехники, помогая восстановить их штатную работу. Ремкомплект гидроцилиндра рулевого управления (75х45) 991/00156 подбирается по артикулу и узлу применения, поставки идут напрямую от производителей, опыт подбора больше 10 лет.
Характеристики
Изготовитель
Турция
Отзывы
Отзывов еще никто не оставлял
Ранее просмотренные
